1 Ответ
1. Курьер должен доставить 120 посылок, причём, за один рейс он планировал доставлять одно и то же количество посылок. После того, как он перевёз 48 посылок, он стал перевозить за один рейс на 4 посылки больше. В результате планируемое количество рейсов, сделанных курьером, уменьшилось на 3. Сколько всего рейсов планировал сделать курьер изначально?
Решение:
План: 15 рейсов по 8 посылок = 120 посылок.
Первые 48 посылок: 48/8 = 6 рейсов.
Остальные 72 посылки: 72/(8 + 4) = 72/12 = 6 рейсов.
Всего 12 рейсов, что на 15 — 12 = 3 меньше.
Ответ: 15.
2. В треугольной пирамиде боковые рёбра взаимно перпендикулярны и имеют длины 4, 9 и 2 корень 6. Найдите радиус сферы описанной около этой пирамиды.
Ответ: 5.5.
3. Решите уравнение (arcsin x — 2)(tg 2ax — 1)(log, x — 1)
Ответ: 0.625.
4. Тело расположено от тонкой собирающей линзы на расстоянии а=50 см. Оптическая сила линзы D=10 дптр. Во сколько раз изображение меньше самого тела?
Ответ: 4.
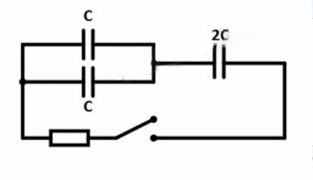
5. Напряжение на заряженной батарее из конденсаторов емкостями с, с и 2с (см. рисунок) и=6 В.

Батарею соединили с резистором и ключом. Какая энергия выделится на резисторе после замыкания ключа? с=3 мкФ. Ответ выразите в мкДж и округлите до целого.
Ответ: 41.
6. Планеты Z и Y вращаются в одну сторону вокруг звезды S так, что планета Z совершает один оборот вокруг S за TZ=1 год. В некоторый момент планеты находятся в противостоянии (центры Z, Y и S лежат на одной прямой, планета Y — внешняя по отношению K Z). Известно, что планеты окажутся снова в противостоянии через T=378 дней. Найдите время в годах, за которое планета У совершит один оборот вокруг S, ответ округлите до десятых. Один год равен 365 дням.

Решение:
Пусть TY — период обращения планеты Y вокруг звезды S (в годах). Поскольку планеты вращаются в одну сторону, относительная угловая скорость планеты Z по отношению к планете Y равна разности их угловых скоростей.
Угловая скорость планеты Z: ωZ = 2π / TZ = 2π (в радианах в год)
Угловая скорость планеты Y: ωY = 2π / TY
Относительная угловая скорость: ωrel = ωZ — ωY = 2π — 2π / TY
Время между противостояниями (T) дано в днях, поэтому переведем его в годы: T = 378 / 365 лет. За это время планета Z обгонит планету Y на полный оборот (2π радиан). Следовательно:
ωrel * T = 2π
(2π — 2π / TY) * (378 / 365) = 2π
Разделим обе части уравнения на 2π:
(1 — 1 / TY) * (378 / 365) = 1
1 — 1 / TY = 365 / 378
1 / TY = 1 — 365 / 378
1 / TY = 13 / 378
TY = 378 / 13 ≈ 29.0769
Округлив до десятых, получим TY ≈ 29.1 года.
Ответ: 29.1
